칼라맨홀 뚜껑

규격
특징

| 호칭 | 사용 수로관 규격 |
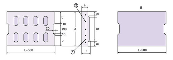
뚜껑치수 | 설치 후 모습 |
||||||
|---|---|---|---|---|---|---|---|---|---|
| a | a1 | a2 | b | t | t1 | L | |||
| 300-A,B | 300 | 440 | 270 | 75 | 145 | 80 | 70 | 500 | ![]() |
| 400-A,B | 400 | 560 | 370 | 85 | 205 | 85 | 80 | 500 | |
| 500-A,B | 500 | 670 | 470 | 260 | 95 | 85 | 500 | ||
| 600-A,B | 600 | 790 | 570 | 100 | 320 | 100 | 90 | 500 | |
| 700-A,B | 700 | 890 | 670 | 370 | 105 | 95 | 500 | ||
| 800-B | 800 | 1000 | 95 | 95 | 500 | ||||
| 800-B | 800 | 1000 | 120 | 120 | 500 | ||||
| 1000-B | 1000 | 1210 | 95 | 95 | 500 | ||||
| 1000-B | 1000 | 1210 | 120 | 120 | 500 | ||||
![]() |
호 칭 | 규 격 | 비 고 | ||
|---|---|---|---|---|---|
| a | L | T | |||
| 빗물받이 뚜껑 | 400 | 500 | 80 | 2 | |
| 호 칭 | 중 량 | 치 수 | 비 고 |
|---|---|---|---|
| 측구뚜껑-400T | 40kg | 500x495x50 | 무공 |
| 측구뚜껑-300T | 32kg | 500x395x50 | 무공 |